Покупаете по оптовым ценам, но указанная стоимость выше? Авторизуйтесь, чтобы увидеть "свои цены" . Забыли пароль? Свяжитесь с менеджером в своем городе .
Показано 80 товаров
КА-1059339
Под заказ
Профиль под светодиодную ленту с рассеивателем 18х24х3000мм белый муар НАЙДИ
0.00 RUB
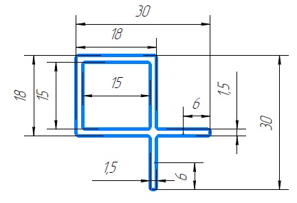
КА-1059340
Под заказ
Профиль под ЛДСП УГЛОВОЙ 18х18х3000мм (полка 12мм) графит НАЙДИ
0.00 RUB
КА-1059341
Под заказ
Профиль под светодиодную ленту с рассеивателем 18х24х3000мм графит НАЙДИ
0.00 RUB
КА-1059342
Под заказ
Профиль под ЛДСП УГЛОВОЙ 18х18х3000мм (полка 12мм) золотой песок НАЙДИ
0.00 RUB
КА-1059343
Под заказ
Профиль под светодиодную ленту с рассеивателем 18х24х3000мм золотой песок НАЙДИ
0.00 RUB
КА-1059344
Под заказ
Профиль под ЛДСП УГЛОВОЙ 18х18х3000мм (полка 12мм) черный муар НАЙДИ
0.00 RUB
КА-1059345
Под заказ
Профиль под светодиодную ленту с рассеивателем 18х24х3000мм черный муар НАЙДИ
0.00 RUB







